Rura z odskraplaczem i króćcem pomiarowym kwasoodporna TURBO dwuścienna gaz
Cena regularna:
towar niedostępny
dodaj do przechowalni
Opis
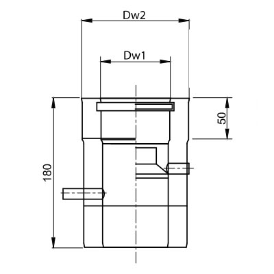
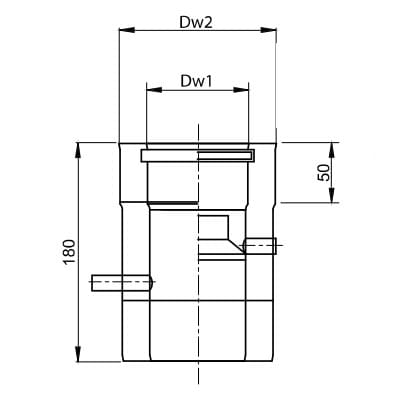
Rura z odskraplaczem i króćcem pomiarowym kwasoodporna TURBO dwuścienna
|
|
![]() |
Dane techniczne
|
|
|
Systemy do kotłów z zamkniętą komorą spalania i kondensacyjnych przeznaczone są do odprowadzania spalin z urządzeń z zamkniętą komorą spalania oraz urządzeń kondensacyjnych i jednocześnie do dostarczania powietrza w systemie współosiowym.
Produkowane są w typoszeregu od DN 50/80 mm do DN 200/350 mm. Wszystkie elementy, które maja kontakt ze spalinami powinny być wykonane z blachy w gatunku 1.4404, 1.4521, lub 1.4301 o grubości 0,4 mm, lub 0,6 mm. Pozostałe elementy mogą być wykonane np. z blachy w gatunku 1.4301, lub 1.4509.
Jest to system pracujący w nadciśnieniu. W związku z tym zastosowane są we wszystkich połączeniach elementów spalinowych uszczelki silikonowe, które mają za zadanie utrzymanie odpowiedniego nadciśnienia i zapobiegają ewentualnemu wyciekowi kondensatu. Bardzo istotne jest, żeby system kominowy był tak zmontowany, aby kondensat swobodnie spływał, a nie zalegał np. na uszczelkach.
Hermetyczna komora spalania daje możliwość zainstalowania kotła praktycznie w każdym pomieszczeniu, dając pewność całkowitego bezpieczeństwa użytkowników. System dwuścienny (współosiowy) daje możliwość doprowadzania powietrza do kotła jednym zestawem kominowym.
Należy pamiętać, że zgodnie z obowiązującymi przepisami, każdy komin, czy wkład kominowy powinien być odbierany przez uprawniony do tego zakład kominiarski.



Kominy spalinowo-powietrzne składają się z koncentrycznego przewodu spalinowego odprowadzającego spaliny z kotła przewodem wewnętrznym, oraz zewnętrznego przewodu doprowadzającego powietrze do spalania. Kominy spalinowe muszą być szczelne, gdyż pracują w nadciśnieniu. W połączeniach kielichowych takich kominów stosuje się dodatkowo specjalne uszczelki silikonowe, które zapobiegają przedostaniu się spalin z przewodu spalinowego do zewnętrznego przewodu powietrznego. Przewody wewnętrzne wykonane są z blach stalowych chromoniklowych kwasoodpornych w gatunku 1.4404 wg DIN 17441 o grubości od 0,4 do 0,6[mm]. Przewód zewnętrzny wykonany jest z blachy chromoniklowej w gatunku 1.4301 wg DIN 17441 o grubości 0,4 lub 0,6mm. Systemy te stosuje się do odprowadzenia spalin z kotłów z zamkniętą komorą spalania lub kotłów kondensacyjnych, gdzie temperatura spalin jest niska, poniżej 55[ºC]. Kocioł kondensacyjny odzyskuje ciepło z pary wodnej zawartej w spalinach. Wyposażony jest w wentylator, który służy do wyrzutu spalin, a przez to wytwarza nadciśnienie w przewodzie kominowym




Wyświetlane są wszystkie opinie (pozytywne i negatywne). Nie weryfikujemy, czy pochodzą one od klientów, którzy kupili dany produkt.