Trójnik ceramiczny 90 st podłączenie komina 0,33mb Fi 180
Cena regularna:
towar niedostępny
dodaj do przechowalni
Opis
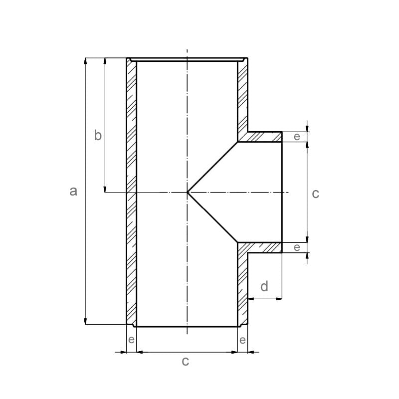
Trójnik ceramiczny 90° 0,33mb
|
Wymiary:
|
![]() |
|
Trójnik 90° - Wkład Kominowy do Podłączenia Przewodu Dymowego Pieca
Zapewnia Bezpieczeństwo i Odporność na Wysoką Temperaturę Podłącz swój przewód dymowy pieca w sposób bezpieczny i skuteczny dzięki trójnikowi 90° - wkładowi kominowemu, który spełnia najwyższe standardy jakości. Ceramiczne przewody kominowe firmy P-D Refractories w klasie A1N1 są odporne na pożar sadzy i zapewniają niezawodne odprowadzanie spalin z urządzeń grzewczych. Ciesz się pełnym bezpieczeństwem i komfortem, wiedząc, że Twój komin jest odpowiednio chroniony. Trójnik ceramiczny został zaprojektowany specjalnie dla kominków, pieców i kotłów, gdzie występują wysokie temperatury i gazy spalinowe. Jego unikalna struktura ceramiczna zapewnia niezwykłą odporność na ekstremalne warunki, umożliwiając bezpieczne odprowadzanie spalin.
Solidność i Niezawodność dla Długotrwałego Użytkowania Wytrzymałość w wysokich temperaturach: Trójnik ceramiczny posiada doskonałą wytrzymałość na temperaturę, umożliwiając skuteczne odprowadzanie spalin nawet przy ekstremalnie wysokich temperaturach. Niezależnie od tego, jak intensywnie użytkujesz swój piec, możesz być pewien, że nasz trójnik sprosta wszelkim wymaganiom.
Precyzja i Dopasowanie dla Perfekcyjnej Instalacji Wybierając trójnik ceramiczny do swojego komina, nie tylko zyskujesz bezpieczeństwo i solidność, ale także możliwość dokładnego dopasowania i precyzyjnej instalacji. Nasz trójnik A1N1 oferuje właściwe wymiary i parametry techniczne, aby zapewnić Ci idealne rozwiązanie, które spełni Twoje oczekiwania. Dopasowanie do średnicy rur: Warto zwrócić uwagę na to, aby wybierając trójnik ceramiczny, sprawdzić jego zgodność z wymaganą średnicą rur. Nasz produkt jest dostępny w różnych rozmiarach, aby dokładnie pasować do Twojego systemu kominowego, zapewniając optymalny przepływ spalin.
|
|
#Trójnik 90° - Wkład Kominowy do Podłączenia Przewodu Dymowego
#Ceramiczne Przewody Kominowe P-D Refractories A1N1
#Bezpieczne Odprowadzanie Spalin z Trójnikiem Ceramicznym A1N1
#Trwały i Niezawodny Trójnik Ceramiczny do Kominków i Pieców
#Precyzyjne Dopasowanie i Solidność Trójnika Ceramicznego A1N1
#trójnik ceramiczny
#wkład kominowy
#odprowadzanie spalin
#ceramiczne przewody kominowe
#wysoka temperatura
#gazy spalinowe
#normy kominowe
#wytrzymałość na temperaturę
#wytrzymałość na ciśnienie
#dopasowanie do średnicy rur
#parametry techniczne
Dane techniczne
| Przekrój Rury [mm] | Ø 180 |
| Rodzaj wkładu | Ceramiczny |
| Klasa ceramiki | A1N1 T600 |
| Zastosowanie | Paliwa stałe - węgiel, eko groszek, pellet, brykiet drzewny |


Wyświetlane są wszystkie opinie (pozytywne i negatywne). Nie weryfikujemy, czy pochodzą one od klientów, którzy kupili dany produkt.